Fuente de alimentación multifunción tres en uno

  • Integración de grupo multifunción: fuente de alimentación IPL + fuente de alimentación OPT + fuente de alimentación láser powe + fuente de alimentación RF de alto rendimiento + inspección y control del sistema de toda la máquina + una pantalla de puerto serie + interruptor de doble mango + control de refrigeración de mango TEC.

  • Pantalla de operación interactiva hombre-máquina (personalizable) + configuración de parámetros de fondo + + IPL, láser, RF tres mangos funcionan simultáneamente.

  • Calibración de potencia y almacenamiento + soporte multilingüe.

  • Función de actualización remota: tecnología de belleza médica avanzada, actualización ilimitada de la nueva función.

  • El módulo Wifi se puede incorporar: puede realizar control remoto de la red, también es conveniente administrar y actualizar

  • Todo tipo de integración de sistemas de alimentación y control, que hacen que la conexión sea más conveniente y rápida.

  • Elevador de enchufe original de alta corriente, más seguro y más conveniente de usar。

  • la localización de fallos y el troubelshooting son fáciles. 

  • Patente de tecnología de producto, puede garantizar la estabilidad de la producción de energía de todo tipo de fuente de alimentación.

  • Este producto cumple con las normas de equipos eléctricos MÉDICOS YY0505-2012 o IEC60601-1-2.


  Contacta ahora
Detalles de producto

Función del sistema de fuente de alimentación multifunción tres en uno


Three In One Multi-function Power Supply

Three In One Multi-function Power Supply









  • Integración de grupo de funciones múltiples: suministro de energía ipl+elegir suministro de electricidad+suministro de energía láser+excesivo  Entrega de energía de RF de rendimiento general + control y control completos del sistema del dispositivo + una pantalla de puerto serie + doble control con switch + tec se ocupa del control de refrigeración.

  • Pantalla de operación interactiva hombre-máquina (personalizable) + configuración de parámetros de fondo ++ IPL, láser, RF tres manijas funcionan simultáneamente.

  • Calibración de energía y almacenamiento + compatibilidad con varios idiomas.

  • Función de actualización remota: tecnología de belleza médica avanzada, actualización ilimitada de nuevas funciones.

  • El módulo Wifi se puede incorporar: puede realizar el control remoto de la red, también ser conveniente para administrar y actualizar

  • Todo tipo de fuente de alimentación e integración de sistemas de control, que hacen que la conexión sea más conveniente y rápida.

  • Levantador de enchufes de alta corriente original, más seguro y más cómodo de usar。

  • la localización de fallas y la solución de problemas son fáciles. 

  • Patente de tecnología de producto, puede garantizar la estabilidad de la producción de energía de todo tipo de fuente de alimentación.

  • Este producto cumple con los estándares de equipos eléctricos MÉDICOS YY0505-2012 o IEC60601-1-2.



Área de aplicación

Depilación cosmetología, eliminación de pecas, eliminación de tatuajes, rejuvenecimiento de la piel, lifting de la piel.



tres en uno parámetros del sistema de fuente de alimentación multifunción


Modelo

LER2600-3-V4

Voltaje de entrada

AC220V±15%, 47-63Hz

Corriente de fuga

< 0.4mA/250AC

Potencia de salida

2600 W

Energía de salida de pulso único láser

50J (100uF, 1000V)

Voltaje de salida IPL y ancho de pulso ajustable

0-400V/0-20mS

Forma de pulso de salida IPL

Pulso único, pulso, grupo de pulso

Voltaje de salida OPT

0-400V

Salida de radiofrecuencia

1 MHz

Control y visualización

Control y gestión de todo el sistema de la máquina, pantalla de todas las funciones a 10 pulgadas.

Frecuencia de salida láser

1-10Hz

Frecuencia de salida de fotones

1-10Hz

Ambiente

Trabajo: -10 ° C - + 45 ° C 20-90% RH, sin condensación

Almacenamiento: -25 ° C - + 85 ° C, 10-95% RH, sin condensación

Regulación de seguridad y compatibilidad electromagnética

cumplir con las normas de equipos eléctricos MÉDICOS YY0505-2012 o IEC60601-1-2

Método de enfriamiento

Enfriamiento forzado

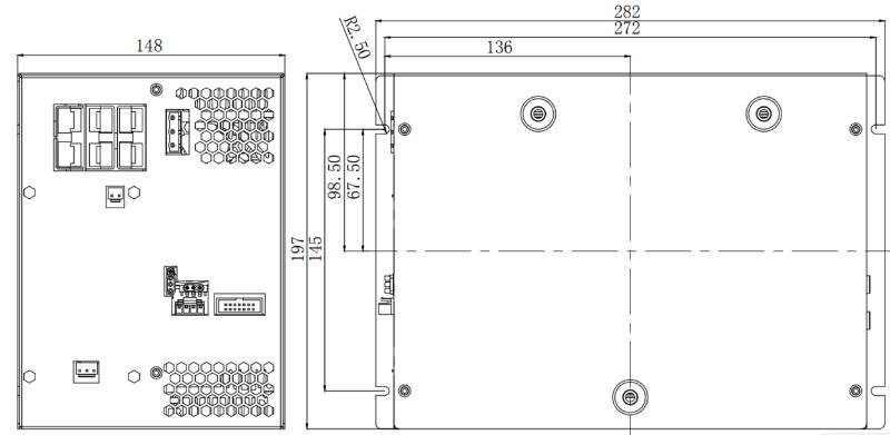
L * W * H ( milímetro)

282*148*197

peso

6KG



tres en un sistema de alimentación multifunción instalación de dimensiones.


Three In One Multi-Function Power Supply System Installation Dimension Drawing

Deja tus mensajes
x
x

Enviado satisfactoriamente

Nos pondremos en contacto con usted tan pronto como sea posible

Cerca